第1章 マイコン・システムの構成と機能(その2)

マイコン・システムの構成と機能

アドレス・バス

 メモリ番地,I/O番地を指示するバスです.

 8080,Z80などはA15〜A0の16本のアドレス・バス・ラインをもち,64Kバイトのアドレス空間を指示します.

 アドレス・バス・ラインが20本で1Mバイト,24本で16Mバイト,32本で4Gバイトのアドレス空間となります.

 TLCS-900は,24本のアドレス・バスで16Mバイトのアドレス空間をもっています.

データ・バス

 メモリ,I/Oへのデータ書き込み,またはメモリ,I/Oからのデータ読み出しを行う双方向性バスです.

 アドレス・バスで指示した番地が対象となり,そのメモリまたはI/Oデータの読み書きを行います.

 8080,Z80などは8ビットのデータ・バスですが,一般的にいわれるCPUのビット幅とデータ・バス幅は一致しません.

 特に最近のCPUでは,ダイナミック・バス・サイジングといわれる可変データ・バス幅が採用されています.これはチップ・セレクトごとにバス幅が選択可能で,これによりCPU内部は32ビット幅でもメモリは16ビット幅,I/Oは8ビット幅など自由に設定し,効率の良いハードおよびソフト設計ができます.

コントロール・バス

 データ・バス,アドレス・バス以外の制御線です.すべてCPUコントローラから入出力されます.

 コントロール・バスには,次に示す信号が入出力されます

(1)RD,WR:データ・バスの方向を指定する

(2)WAIT:バス・サイクルの時間調整を行う 

(3)NMI,INT:割り込み要求を受け付ける 

(4)BUSRQ,BUSAK:バス制御を行う 

(5)RESET,HALT:システム制御を行う 

 このほかに,DRAMの制御信号などを出力するものもあります.

クロック・コントローラ

 コンピュータは,クロックと呼ばれる交流(矩形波)信号に同期して動作します.この原発振は,水晶発振子などによって得られます.

 この発振が停止すれば,CPUも停止してしまいます.まさに「心臓」ですから,ハード設計においては十分な注意が必要です.

 また,最近のCPUでは原発振をCPU内部で逓倍し,処理速度を向上させています.

メモリ・アクセスとI/Oアクセス

 CPUが行う仕事の半分は,メモリ・アクセスです.

 CPUは,メモリからのプログラムの読み込み,データの読み書き,割り込みやサブルーチン・コールに伴うスタック操作など,絶え間なくメモリをアクセスしています.ここでは,ハード構成も含めたメモリ・アクセスの具体例を説明します.

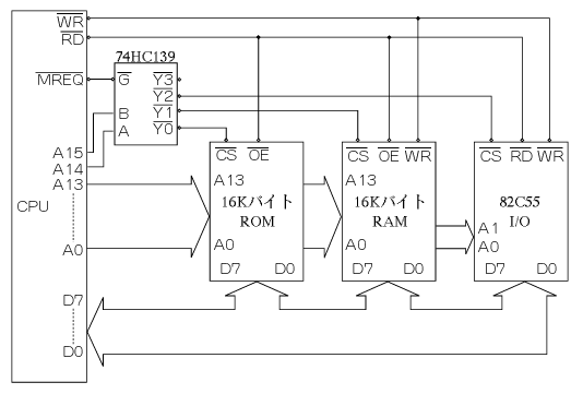
 図1-5にROM,RAMおよびメモリ・マップドI/Oの接続例を示します.

  

<図1-5>メモリ,I/O接続例

(約12Kバイト)

 アドレス・バスのA14,A15をデコードしてチップ・セレクトを行っていますから,各領域は16Kバイトで,アドレス・マップは次のようになります.

(1)ROM:0000H〜3FFFH

(2)RAM:4000H〜7FFFH

(3)I/O:8000H〜BFFFH8000H〜8003H

 I/Oには,アドレス・バスのA0とA1しか接続していまん.8004Hをアクセスしても8000Hと同じチャネルが現れます.つまり4番地おきに同じチャネルが現れるのです.


Copyright 2000 武下 博彦

新刊のご案内


Copyright 1997-2001 CQ Publishing Co.,Ltd.