第1章 パワーMOSFETとパワー・トランジスタの違い(7)

パワーMOSFETの電気的特性の測定法(2)

 

パワーMOSFETの電気的特性の測定法(2)

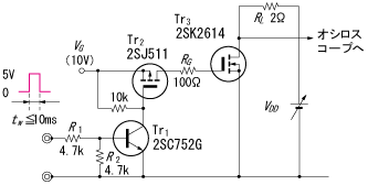
ドレイン-ソース間オン抵抗RDS(ON)図4

(図4)

パワーMOSFETのドレイン-ソース間オン抵抗RDS(ON)の測定回路

(約5Kバイト)

 

 パワーMOSFETを飽和動作させたときのドレイン−ソース間の等価抵抗で,ドレイン電流ID とドレイン−ソース間電圧VDS(ON)を測定して,VDS(ON)/ID から算出します

 通常,電流定格の50%の条件で規定されます.

 2SK2614(ID =20A)の規格も0.046ΩMAXID =10Aと規定されています.ID =10Aも流すと大きな損失が発生するため,温度上昇が無視できるようにパルス測定(t≦10ms)します.前述のようにVDS(ON)は正の温度特性をもっています.

 ドレイン−ソース間電圧VDS をオシロスコープで読み取り,下式にて求めます.

  RDS(ON)VDS /IDVDS×0.1[Ω]

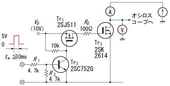
順方向伝達アドミッタンス|Yfs図5

(図5)

パワーMOSFETの順方向伝達アドミッタンス|Yfs|の測定回路

(約5Kバイト)

 

 ゲート−ソース間電圧VGS を変化させたときのドレイン電流の変化の割合ΔID/ΔVGS のことです.バイポーラ・トランジスタの直流電流増幅率hFE に相当します.次式から求まります.

  |Yfs|== (省略)

ただし,ID1:1.1×ID(=11A)

    ID2:0.9×ID(=9A)

    ID:最大ドレイン電流の半分(=10A)

    VGS1ID1のときのVGSを測定

    VGS2ID2のときのVGSを測定

 抵抗RLは損失を小さくするため,できるだけ小さいもの(2Ω程度)を選びます.測定条件VDS =10Vから電源電圧VDD VDS ID1RL =32Vと,VDS ID2RL =28Vを変えながら測定します.

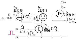
ゲート入力電荷量QG図6

(図6)

パワーMOSFETのゲート入力電荷量QGの測定回路

(約5Kバイト)

 

 パワーMOSFETのスイッチング動作時にゲート−ソース間寄生容量Ciss に充電される電荷量です.高速スイッチング時のドライブ回路の駆動能力を検討するときに必要なパラメータです.

 ゲート−ソース間の容量に電荷をチャージするために2SK370を使った定電流源を作り,これとゲート間にスイッチ用Pチャネル・パワーMOSFET 2SJ511を接続します.2SJ511は高速トランジスタ2SC752Gで駆動します.

逆回復時間trr図7

(図7)

パワーMOSFETの逆回復時間trr の測定回路

(約7Kバイト)

 

 ダブル・パルスを入力して,寄生ダイオードに順方向(ソースからドレイン)の電流を流した後,ドレイン−ソース間に逆電圧を加えます.このときドレインからソースに向かって電流が流れる期間です.ドレイン−ソース間にできる寄生ダイオードの逆回復特性を表しています

 Tr2にTr1の駆動用信号として任意のパルス幅をもつダブル・パルスを入力します.なおDUTの発熱を避けるために,入力信号のオン・デューティを1%以下とします.

入力容量Ciss,帰還容量Crss,出力容量Coss図8

(図8)

パワーMOSFETの入力容量Ciss,帰還容量Crss,出力容量Coss の測定回路

(約10Kバイト)

 

 ソース接地回路のときの各端子間の容量ですCiss はゲート−ソース間容量,Coss はドレイン−ソース間容量,Crss はドレイン−ゲート間容量です.これらの容量が小さいほうが,少ない駆動電力で素子をドライブすることができます

 4275(横河ヒューレット・パッカード)などのLCRメータを使って測定します.このときの注意点はDCバイアスのためのコイルL1L2を十分大きくすることと,パスコン用コンデンサC1C2を測定する素子の容量に対し十分大きくすることです.また測定周波数により容量値が変わることがあります.


Copyright 2000 トランジスタ技術編集部 編

新刊のご案内


Copyright 1997-2001 CQ Publishing Co.,Ltd.