第1章 パワーMOSFETとパワー・トランジスタの違い(1)

パワーMOSFETの直流駆動電力

 

パワーMOSFETはパワー・トランジスタより直流駆動電力が小さい

 パワーMOSFETは,電圧駆動型の素子です.パワー・トランジスタと違って制御電極に電流を流す必要がありません.したがって駆動回路に大きな電力を必要としない省エネ型の素子といえます

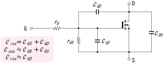
 パワーMOSFETの等価回路を図1に示します.ゲート−ソース間は一般に寄生抵抗rG とゲート−ソース間抵抗rGS ,およびゲート−ソース間容量CGS で表されます.一般にrG は数Ω,rGS は数MΩ以上です.したがってドレイン電流ID は,ゲート−ソース間容量CGS の充電電荷を維持できる程度のゲート電流(≒0)で流すことができます.

(図1)

パワーMOSFETの等価回路

(約3Kバイト)

 図2に類似定格(50V/20ADC)のパワーMOSFET 2SK2614とパワー・トランジスタ2SC3345の静特性を示します.

(図2)

パワーMOSFETとパワー・トランジスタの静特性

(約15Kバイト)

 

 2SC3345を飽和領域で使う場合,負荷電流IC =10ADCを流し続けるにはIB =0.1ADC以上のベース電流を供給する必要があります[図2(b)].

 一方,同じく飽和領域において,2SK2614にドレイン電流ID =10ADCを流すためには,ゲート電流IG ではなく,ゲート電圧VGS が必要なことがわかります.

 それでは両者の直流駆動電力PM(DC)を比較してみましょう.直流駆動の場合,パワーMOSFETのゲート電流はほとんどゼロなので,直流駆動電力はゼロです.

 一方,パワー・トランジスタの直流駆動電力PT(DC)は以下の式で与えられ,

  PT(DC)VBIB

     =IBVBEIBrB

  rB:ベース寄生抵抗

たとえば,rB =2Ωと仮定すると,

  PT(DC)=0.1(1.0+0.1×2)

       =120[mW]

となり,パワー・トランジスタのほうが直流駆動電力が大きいことがわかります.


Copyright 2000 トランジスタ技術編集部 編

新刊のご案内


Copyright 1997-2001 CQ Publishing Co.,Ltd.